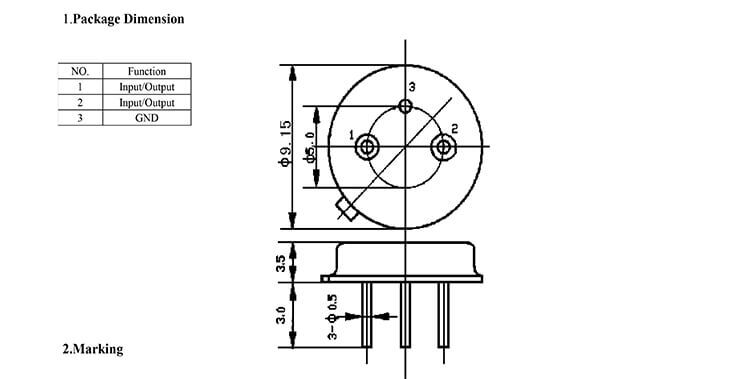
sound مرشح السطح: t0-39 ، f-11
acoustic surface reasonator: t0-39 ، f-11 ، d-11 ، f11-smd
commonly التردد: 433 MHz و 433.92 MHz ، 315 MHz ، 300 MHz ، 303 MHz و 303.4 MHz ، إلخ

اسم: Sanly
هاتف الشركة: 86-769-87015830
البريد الإلكتروني E-: اتصل بنا
تليفون محمول: 86-139-25879936
موقع الكتروني: hivisong.b2bara.com
عنوان: 1206,Xulian building,No.4,Jiamei Road Xin\'an, Chang\'an Town,Dongguan City